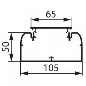
3.7. Кабель-канал - Нова-Линк